Transmissions Used

From Eaglepedia
Jump to: navigation, search

Manual Transmissions

SR4 and T4 four-speed transmissions and the T5 five-speed transmission were available. These transmissions were used both in the four and six cylinder engine applications.

AMC manual transmissions provided synchromesh engagement in all forward gears. Reverse gear is not synchronized. All forward gears are helical-cut and in constant mesh. Reverse gear is spur cut and not in constant mesh.

All AMC manual transmissions were manufactured to metric standards. When servicing these transmissions use the specified metric threaded fasteners only. NOTE: The gear shift lever attaching bolts ARE NOT Metric.

The transmissions had an identification tag attached to the rear of the transmission which displays the AMC and vendor part numbers. This information (if still attached) will be useful should you need to order parts.

If you use a manual transmission not from an AMC Eagle you will need to replace the 2WD tail housing with the Eagle Transfer Case adapter housing.

SR4

Shfitsr4.jpg Lubricant SAE 85W-90; 3.3 pints Sr4drain.jpg


S4rexploded.jpg



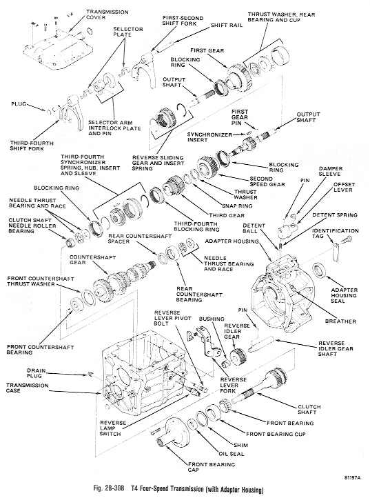
T4

Shfitt4.jpg Lubricant ATF (Dexron II or III) 3.5 pints


T4exploded.jpg


T5

Shfitt5.jpg Lubricant ATF (Dexron II or III) 4.0 pints


T5exploded.jpg


Automatic Transmissions

Two wide ratio automatic transmissions were used in AMC Eagles. Although the internals are the same as the Chrysler built Torqu Flite transmissions of the same model the number you must use a transmission from an AMC vehicle as the bell housings are different. The model 904 with a conventional torque converter was used in four cylinder Eagles while the model 998 with a lock up torque converter was used in six cylinder Eagles.

Models 904 and 998 are similar in size, appearance and operation but have some different internal components. Major differences are in the valve body and the rear band. The model 998 has a double wrap rear band while the Model 904 has a single wrap. An external identifier is that the 998 has reinforcing ribs cast into the top of the rear servo boss on the case. NOTE: If you use an auotmatic transmission not from an AMC Eagle you will need to replace the 2WD tail housing with the Eagle Transfer Case adapter housing.

AMC TF 904/998

Fluid Capacities (Both Dexron II or III): 904 14.2 pints (6.67 liters) & 998 17.1 pints (8.1 liters).


Autoexploded.jpg