Lighting Wiring Schematic

From Eaglepedia
Jump to: navigation, search
Back to Index 1988 Large Electrical Schematics - Much applicable to other years.


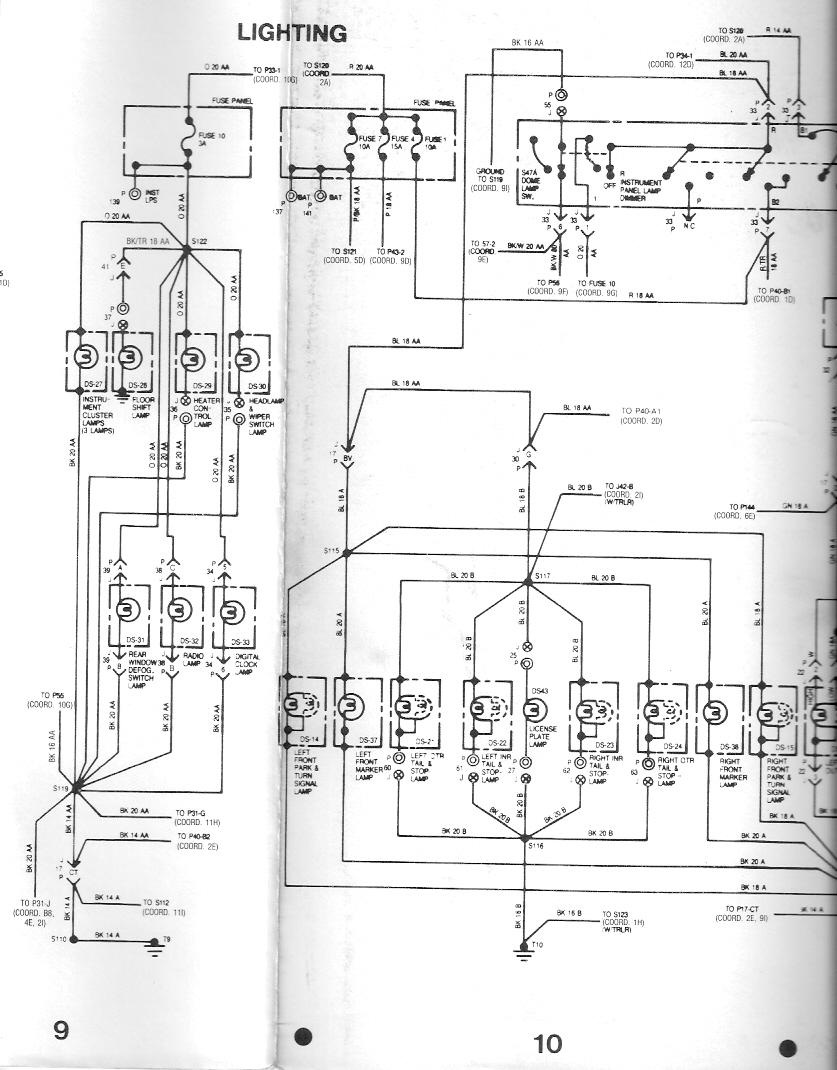
88wire46.jpg
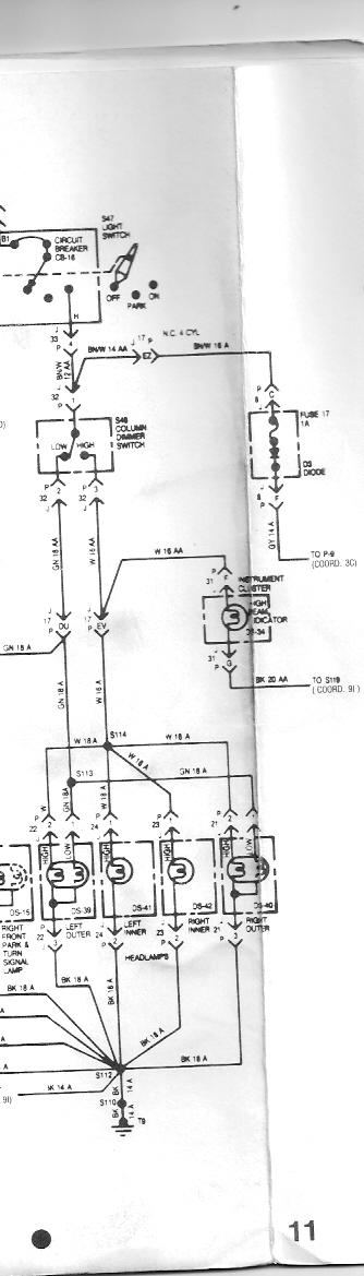
88wire47.jpg
Back to Index 1988 Large Electrical Schematics - Much applicable to other years.
Retrieved from "https://www.amceaglesnest.com/guide/index.php?title=Lighting_Wiring_Schematic&oldid=4418"

Navigation menu

Views

  • Page
  • Discussion
  • View source
  • History

Personal tools

  • Create account
  • Log in

Navigation

  • Main page
  • Recent changes
  • Random page
  • Help

 

Tools

  • What links here
  • Related changes
  • Special pages
  • Printable version
  • Permanent link
  • Page information
GNU Free Documentation License 1.2
Powered by MediaWiki
  • This page was last modified on 4 August 2007, at 17:55.
  • This page has been accessed 6,089 times.
  • Content is available under GNU Free Documentation License 1.2 unless otherwise noted.
  • Privacy policy
  • About Eaglepedia
  • Disclaimers