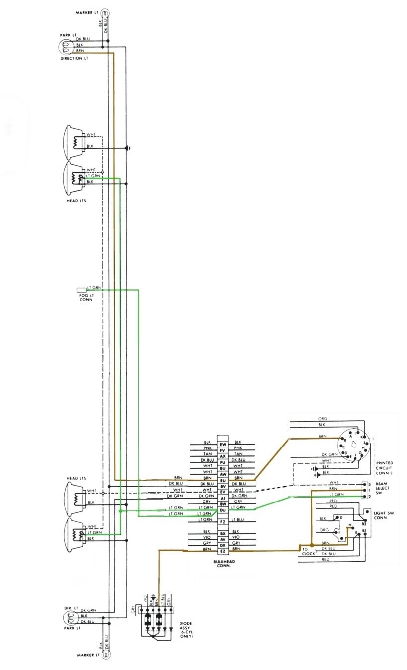
'81 - '88 Headlight Diagram
From Eaglepedia
Jump to:
navigation
,
search
Navigation menu
Views
Page
Discussion
View source
History
Personal tools
Create account
Log in
Navigation
Main page
Recent changes
Random page
Help
Search
Tools
What links here
Related changes
Special pages
Printable version
Permanent link
Page information